Kompresní deska, samonivelační, G1123
předchozí
další
Kompresní deska, samonivelační, G1123
Kompresní deska, samonivelační, G1123
Kompresní deska, samonivelační, G1123
Kompresní deska, samonivelační, G1123
Varianty produktu
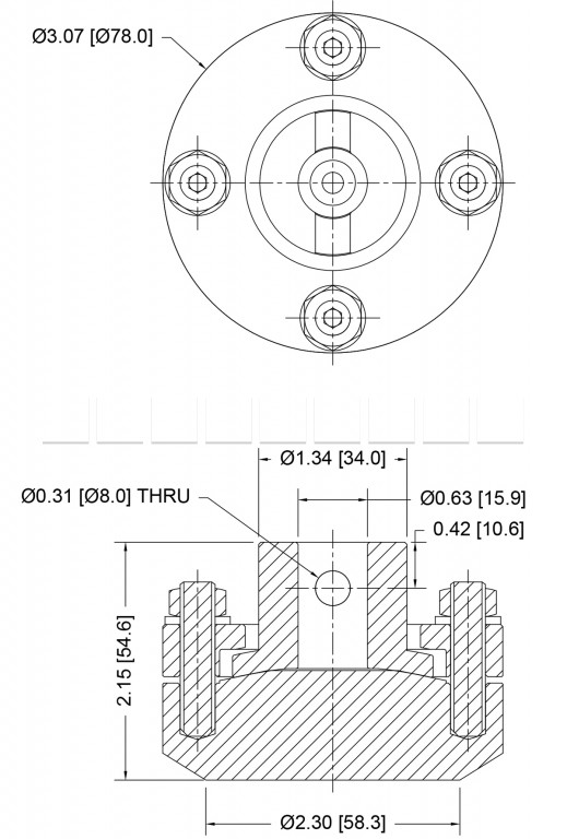
Tato samovyrovnávací kompresní deska se přizpůsobí úhlu vzorku pomocí čtyř nastavitelných šroubů a matic. Ideální pro zajištění rovnoběžnosti a úplného zachycení vzorku, zejména u pružin s nízkým průhybem a dalších materiálů s vysokou tuhostí pružiny. Integrované očko.
- Samovyrovnávací kompresní deska zajišťuje, že zatížení je aplikováno v linii se vzorkem.
- Integrované uchycení na konci oka.
- Kapacita: 9 kN (2000 lbF).
- Průměr: 58,3 mm.
- Výška: 54,6 mm.
- Hmotnost: 1,27 kg.
- Materiál: ocel 58 HRC, poniklovaná.
- Úhel*: ± 1,5°.
- Vyrobeno v: USA.
* Chcete-li nastavit úhel, povolte matice, umístěte desku do požadované polohy a poté je utáhněte.
-
1 ks.
Technická data k porovnání Kompresní deska, samonivelační, G1123
| Název parametru | Hodnota |
|---|---|
| Typ | tlaková destička |
| Kapacita silových přístrojů | 9000 N |
| Průměr | 58.3 mm |
| Výška | 54.6 mm |
| Hmotnost | 1.27 kg |
Přidejte svůj komentář k Kompresní deska, samonivelační, G1123













